胶球清洗装置市场高速增长,总图持续增强

胶球清洗装置市场高速增长,总图持续增强。胶球清洗系统装置制造企业在积极国内市场,很多生产厂家意图增加市场份额。更不要说比国外市场比较。胶球清洗近两年占率汽轮机行业凝汽器市场较高,所以出现胶球清洗厂家高速增长。但就是这样的市场行业,胶球清洗装置系统也不免出现故障——胶球清洗系统收球率低原因。
针对小汽轮机凝汽器胶球清洗系统收球率低的问题,对其内部结构进行分析,提出了改造方案并予以实施。分析结果表明,引起胶球清洗系统收球率低的主要原因是由于凝汽器水室设计和胶球泵密封设计不合理造成的。
关键词:胶球收球率;凝汽器结构;胶球清洗系统宁夏大唐国际大坝发电有限责任公司2台空冷亚临界600MW机组配置4台汽动给水泵,小汽轮机为杭州汽轮机有限公司生产的NK63/71型。每台给水泵汽轮机各自配置1台水冷凝汽器,凝汽器冷却水采用开式循环冷却水系统,凝汽器采用胶球清洗装置对冷却水管进行清洗,凝汽器主要设备的设计参数为:型式:管壳式;循环水设计流量:Q=2450m3h;总的有效换热面积:1000m2;管径x壁厚为:20mmx0.5mm;管子材质为:TP316L;管子根数为:5230根。
设备公司生产的胶球清洗装置。
1存在的问题
自2009年5月机组投产以来,5、6号机小机凝汽器胶球清洗装置经多次调试,收球率比较低,只能达到20%~30%,远远达不到设计值95%,致使该系统一直无法正常投运,已严重影响机组的安全经济运行,必须对该系统进行改造。汽机业针对以上情况,成立技术攻关小组,积极联系厂家
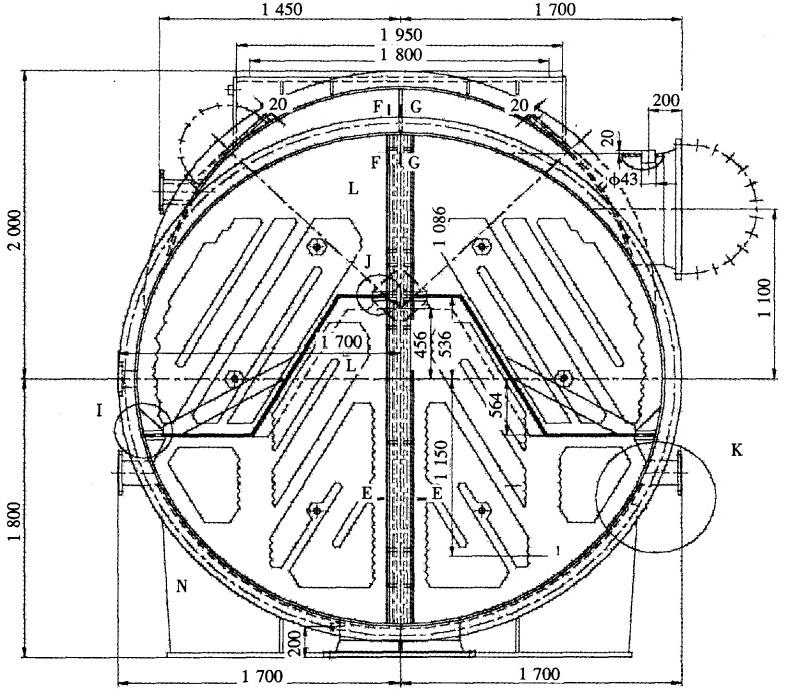
图1小机凝汽器水室隔板改造前示意图(单位:mm)进行调研分析。通过现场检查,认为造成收球率较低的主要原因有以下几点:
(1)小机凝汽器循环水水室设计不合理。从图1中可以看出,小机凝汽器循环水进水侧被2块隔板分成3个水室,回水侧被1块隔板(图中中间虚线处)分成2个水室,这样循环水在水室中形成4流程;且隔板、支撑板及管板之间形成较多死角,致使胶球从进入冷却水管到回收需4个流程,由于管道阻力及隔板之间死角,造成胶球不能顺利回收。
(2)胶球泵密封设计不合理。本公司胶球泵是兰州天宝电力设备厂生产的型号为IZJ-100~25型泵。通过对5、6号机胶球泵的检查,发现胶球泵密封设计为盘根密封,设计不合理,质量差,且不利于平时检修维护。在泵运行过几次后,密封就出现了泄漏现象,造成胶球泵达不到设计出力,降低了胶球泵的效率,从而使胶球不能很顺利地被回收,降低了收球率。
(3)一次滤网周围不严密。通过对一次滤网进行检查,发现一次滤网侧面及底部有缝隙,这样就使少量杂物进入凝汽器,易造成少量冷却水管堵塞。
(4)胶球回收管路布置不合理,弯头及死角过多,造成胶球不能被顺利回收。
2胶球清洗系统改造方案
图2小机凝汽器水室隔板改造后示意图(单位:mm)次数,保证了胶球能够顺利回收。
(2)对胶球泵密封进行改造,将原盘根密封更(1)将小机凝汽器水室由4循环改为2循环,这样循环水量可满足原设计水量,循环水流速可达到1.8m/s,达到胶球回收设计水平,减少胶球在冷却水管中的流动次数,使胶球顺利回收,具体措施为将凝汽器两端大盖卸开,改造内部区域,消除水室内部死角。
从图2中可以看出,小机凝汽器水室隔板改造后,循环水进水侧被1块隔板分成2个水室,回水侧无隔板成1个水室,这样循环水在水室中形成2流程,且隔板、支撑板及管板之间形成死角减少,并将部分无法消除的死角用不锈钢板进行了封堵处理,这样胶球从进入冷却水管到回收只需2个流程,大大减少了胶球在管路中的阻力及循环换为机械密封,减少泄漏量及日常维护量,提高胶球泵效率。
(3)更换循环水泵进水口处一次滤网,使循环水一次滤网网孔由15mmx15mm改为10mmx10mm,确保周围密封严密;在滤网下端加装垃圾槽,以免提出滤网清洗时垃圾掉入水中,这样更好地过滤垃圾等杂质,避免杂物进入凝汽器造成冷却水管堵塞;并清除凝汽器冷却水管杂物,确保冷却水管畅通,提高胶球清洗系统收球率。
(4)根据两流程小机凝汽器循环水水侧流程特点及现场实际安装位置,对小机凝汽器循环水回水管进行布置及流向改造,确保两流程凝汽器循环水回水畅通。


3胶球清洗改造后效果
2009年9月至2010年1月,分别对5、6号机1、2号小机胶球系统进行了改造,系统改造后,小机凝汽器真空满足设计要求,在循环水进口温度为21℃,循环水温升为9℃时,凝汽器背压不超过5.6kPa,达到了在循环水进口温度为33℃,循环水温升为9℃时,凝汽器背压不超过11.6kPa。
改造后收球率达到95%以上,投运正常,消除了重大设备缺陷,防止了凝汽器冷却水管结垢,提高了小机凝汽器真空。进一步提高机组的经济性。改造1台机组的费用为13万元左右,而改造后胶球系统正常投运,可以使整机效益提高1%~3%。如果按1.5%计算,小汽轮机功率为6MW,平均负荷率为70%,1年可利用小时为5800h,1度电价较小,所以大坝电厂3期2台机组被同时切除的风险较低。
3双机切除后厂用电安全倒换措施
由于启备变容量和高厂变容量基本相等,只能带2段厂用6kV负荷。如果此时双机被同时切除,5号、6号机组共4段厂用6kV负荷会同时自动切换至启备电源,将造成启备变压器过载跳闸。如何避免双机被切除后,发生启备变压器过载跳闸,导致厂用电失去的事故,保证机组安全顺利停机,就成为当前亟待解决的问题。
为解决上述问题,大坝电厂3期采用2台机组6kV厂用A、B工作段各保一段负荷的思路。即双机被切除后,启备电源自动切换到5号机6kVA段和6号机6kVB段。当以上任意一段自动切换不成功时,由运行人员快速手动切换,以保证厂用电源安全切换至启备电源,保证机组安全停机和快速恢复并网的需要。
为0.25元,则1台小机1年可以提高效益为:6000×70%×1.5%×5800×0.25=9(万元),由此可见改造后无论从经济性还是延长设备的寿命都是非常有利的。
大坝发电公司通过对小汽轮机凝汽器胶球清洗系统进行改造,不仅达到了节能的效果,更重要的是使设备可靠性大大提高。从2009年9月1台改造至今,胶球收球率一直保持在95%以上,有效控制了凝汽器冷却水管结垢现象,提高了小汽轮机的真空度。改造后小汽轮机运行正常,未发生任何问题,使小汽轮机运行从安全性、经济性、可靠性各方面都得到了很大提高,改造取得了成功。